Характеристики
Тип товара
—
Вилка
Модель
—
MS3102E28-21PY
Серия
—
MS31
Условный размер корпуса
—
28
Тип корпуса
—
панельная с квадртаным фланцем
Диаметр конт., мм
—
1.6
Все характеристики
Цена по запросу
Под заказ
Нашли дешевле?
В корзину
Купить в 1 клик
Стоимость доставки индивидуально рассчитывается для каждого заказа
Данное изображение предназначено только для общего ознакомления с приблизительным видом товара. Для более точной информации обратитесь к технической документации или к менеджеру отдела продаж. Компания оставляет за собой право изменять изображение без уведомления.
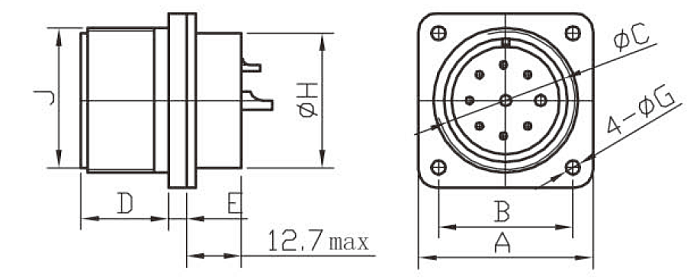
Схема размеры
Описание
MS3102E28-21PY Вилка панельная с квадртаным фланцем, количество контактов: 37, контактная схема: 21, ключ: Y, защита: IP67, диаметр контакта: 1.6мм, 22-16 AWG, ток: 13А, напряжение: 1750/1250 VDC/VAC
Характеристики
Тип товара
Вилка
Модель
MS3102E28-21PY
Серия
MS31
Условный размер корпуса
28
Тип корпуса
панельная с квадртаным фланцем
Диаметр конт., мм
1.6
Сечение жилы, мм²
<1.3
Максимальное напряжение
3500
Код корпуса
2
Контактная схема
21
Ключ
Y
Тип изолятора
E
Изолятор
Хлоропрен
Код контакта
16
Сечение жил, AWG
22-16
Рабочее напряжение, В
1750/1250
Кол. циклов сочленения, >
500 циклов
Контакты
P
Количество контактов
37
Ток, А
13
Степень защиты
IP67
Сопротивление изоляции
>5000 МОм
Температурный диапазон
-55°C ~ +125°С
Услуги
Отзывы
Оставить отзыв
Загрузка отзывов...
